• Scopus收录
  • CSCD来源期刊
  • 中文核心期刊

留言板

尊敬的读者、作者、审稿人, 关于本刊的投稿、审稿、编辑和出版的任何问题, 您可以本页添加留言。我们将尽快给您答复。谢谢您的支持!

姓名
邮箱
手机号码
标题
留言内容
验证码

川渝裂缝性地层自动压井环空多相压力波速特性研究

孔祥伟 刘祚才 靳彦欣

孔祥伟,刘祚才,靳彦欣. 川渝裂缝性地层自动压井环空多相压力波速特性研究 [J]. 应用数学和力学,2022,43(12):1370-1379 doi: 10.21656/1000-0887.430006
引用本文: 孔祥伟,刘祚才,靳彦欣. 川渝裂缝性地层自动压井环空多相压力波速特性研究 [J]. 应用数学和力学,2022,43(12):1370-1379 doi: 10.21656/1000-0887.430006
KONG Xiangwei, LIU Zuocai, JIN Yanxin. Study on Multiphase Pressure Wave Velocity Characteristics of Automatic Kill Annulus in Chuanyu Fractured Formation[J]. Applied Mathematics and Mechanics, 2022, 43(12): 1370-1379. doi: 10.21656/1000-0887.430006
Citation: KONG Xiangwei, LIU Zuocai, JIN Yanxin. Study on Multiphase Pressure Wave Velocity Characteristics of Automatic Kill Annulus in Chuanyu Fractured Formation[J]. Applied Mathematics and Mechanics, 2022, 43(12): 1370-1379. doi: 10.21656/1000-0887.430006

川渝裂缝性地层自动压井环空多相压力波速特性研究

doi: 10.21656/1000-0887.430006
基金项目: 中石化科技部课题资助项目(P21069;P22117)
详细信息
    作者简介:

    孔祥伟(1982—),男,副教授,博士,硕士生导师 (通讯作者. E-mail:76922591@qq.com

  • 中图分类号: O347.4

Study on Multiphase Pressure Wave Velocity Characteristics of Automatic Kill Annulus in Chuanyu Fractured Formation

  • 摘要:

    考虑虚拟质量力、环空沿程压力、气液相间阻力、气体滑脱、环空空隙率等因素,基于小扰动理论,提出了裂缝性地层自动压井环空多相压力波速数学模型,结合半显式差分方法,以彭州PZ-5-3D井(垂深5827 m)为实例,对模型编程求解。结果表明:裂缝性地层出气具有段塞流特点,随空隙率增大,压力波速呈现先减小后增大趋势;空隙率在0%至16%区间,压力波速以液弹为主,压力波速呈急剧下降趋势;空隙率在16%至40%区间,压力波速趋于平缓恒定值;空隙率在42%至100%区间,压力波速呈现增大趋势,压力波速以气弹为主;随环空井深减小,环空空隙率减小,压力波速整体呈现减小趋势;随压井循环排气井口回压增大,压力波速整体呈现增大趋势;环空空隙率在0%至13%区间内,气体滑脱速度对压力波速影响不大;环空空隙率在13%至85%区间内,随气体滑脱速度增大,压力波速呈现减小趋势;节流阀调阀时间间隔与井底压力响应时间具有跟随性,随井底压力响应时间增大,调阀时间间隔增大。

  • 图  1  环空多相压力波速求解技术路线图

    Figure  1.  The flowchart for solving the multiphase pressure wave velocity in annulus

    图  2  文献[15-16]的实验测试结果与本文模型计算压力波速对比:(a)30 MPa压力条件下压力波速对比结果;(b)含气率在1%及20%条件下波速对比结果

    Figure  2.  Comparisons between the experimental results of ref. [15-16] and the wave velocities calculated in this paper: (a) comparison of the wave velocity at a pressure of 30 MPa; (b) comparison of the wave velocity at gas contents of 1% and 20%

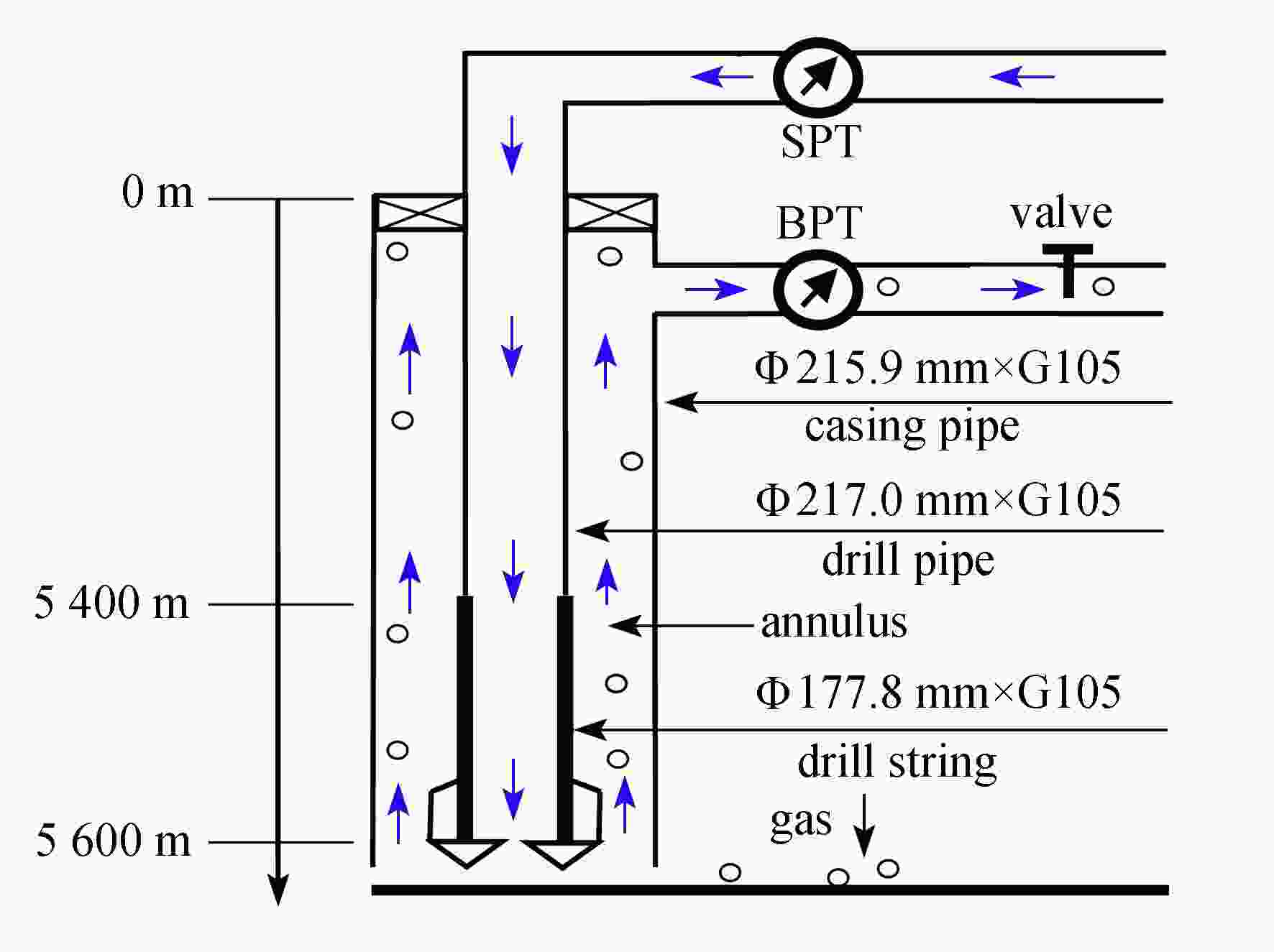
    图  3  自动压井气侵循环排气示意图

    Figure  3.  Schematic diagram of automatic well killing gas invasion circulating exhaust

    图  4  裂缝气段塞流空隙率对压力波速的影响

    Figure  4.  Effects of the crack gas slug flow void fraction on the pressure wave velocity

    图  5  裂缝性地层气侵流量对压力波速的影响

    Figure  5.  Effects of the gas invasion velocity on the pressure wave velocity in the fractured gas reservoir

    图  6  压井节流阀回压对压力波速的影响

    Figure  6.  Effects of the throttle valve back pressure on the pressure wave velocity

    图  7  角频率对压力波速的影响

    Figure  7.  Effects of the angular frequency on the pressure wave velocity

    图  8  气体滑脱速度对压力波速的影响

    Figure  8.  Effects of the gas slippage velocity on the pressure wave velocity

    表  1  气体滑脱速度对压力波速影响数据表

    Table  1.   Effects of the gas slippage velocity on the pressure wave velocity

    gas ratevs=0.08 m/s
    Cvm=0
    vs=0.20 m/s
    Cvm=0
    vs=0.40 m/s
    Cvm=0
    vs=0.60 m/s
    Cvm=0
    vs=0.70 m/s
    Cvm=0
    vs=0.80 m/s
    Cvm=Re
    6.1372.18372.16372.15372.13372.12372.10
    13.151.5641.8841.1640.9740.8940.61
    23.159.0235.3132.3931.5531.2030.34
    33.174.5538.6431.8829.5428.4928.12
    43.196.1648.6437.0832.2129.7426.92
    53.1127.0965.8748.9440.7536.0326.04
    63.1173.8294.3670.6258.2750.5726.14
    73.1244.94145.00111.0992.6580.6827.50
    83.1325.26241.65196.06168.26149.1831.08
    93.1349.51344.27334.70322.83310.2541.06
    98.1349.99349.99349.99349.99349.9987.31
    下载: 导出CSV
  • [1] 姜海龙, 朱培旺, 徐东华. 考虑气体加速效应的高压气井产能方程推导及其应用[J]. 应用数学和力学, 2020, 41(2): 134-142

    JIANG Hailong, ZHU Peiwang, XU Donghua. Derivation and application of productivity equations for high-pressure gas reservoirs with gas acceleration effects[J]. Applied Mathematics and Mechanics, 2020, 41(2): 134-142.(in Chinese)
    [2] 伍贤柱, 胡旭光, 韩烈祥, 等. 井控技术研究进展与展望[J]. 天然气工业, 2022, 42(2): 133-142 doi: 10.3787/j.issn.1000-0976.2022.02.014

    WU Xianzhu, HU Xuguang, HAN Liexiang, et al. Progress and prospect of well control technology research[J]. Natural Gas Industry, 2022, 42(2): 133-142.(in Chinese) doi: 10.3787/j.issn.1000-0976.2022.02.014
    [3] WILLIAM B. Consideration of Compressibility Effects for Applied-Back Pressure Dynamic Well Control Response to a Gas Kick in Managed Pressure Drilling Operations[M]. Master of Science in Mechanical Engineering, The University of Texas at Arlington, 2011.
    [4] 史爽, 敬加强, 孔祥伟. 大跨越管道油气混输压力波速及响应特性研究[J]. 应用数学和力学, 2016, 37(3): 290-300.

    SHI Shuang, JING Jiaqiang, KONG Xiangwei. Research of pressure wave velocity and response time for oil-gas mixing transportation in large span pipelines[J]. Applied Mathematics and Mechanics, 2016, 37(3): 290-300. (in Chinese)
    [5] 刘磊, 王跃社, 周芳德. 气液两相流压力波传播速度研究[J]. 应用力学学报, 1999, 16(3): 22-27, 150-151.

    LIU Lei, WANG Yueshe, ZHOU Fangde. Propagation speed of pressure wave in gas liquid two phase flow[J]. Chinese Journal of Applied Mechanics, 1999, 16(3): 22-27, 150-151. (in Chinese)
    [6] 黄飞, 白博峰, 郭烈锦. 水平管内气液两相泡状流压力波数学模型及其数值模拟[J]. 自然科学进展, 2004, 14(4): 344-349 doi: 10.3321/j.issn:1002-008X.2004.01.015

    HUANG Fei, BAI Bofeng, GUO Liejin. Mathematical model and numerical simulation of pressure wave in gas-liquid two-phase bubble flow in horizontal tube[J]. Progress in Natural Science, 2004, 14(4): 344-349.(in Chinese) doi: 10.3321/j.issn:1002-008X.2004.01.015
    [7] 白博峰, 黄飞, 王先元. 气液两相流压力波色散特性实验研究[J]. 工程热物理学报, 2005, 26(3): 447-450 doi: 10.3321/j.issn:0253-231X.2005.03.026

    BAI Bofeng, HUANG Fei, WANG Xianyuan. Experimental study on pressure wave dispersion characteristics of gas-liquid two-phase flow[J]. Journal of Engineering Thermophysics, 2005, 26(3): 447-450.(in Chinese) doi: 10.3321/j.issn:0253-231X.2005.03.026
    [8] 王海成. 天然气井压井与带压施工的实践与认识[J]. 中国石油和化工标准与质量, 2021, 41(10): 144-145.

    WANG Haicheng. Practice and understanding of natural gas well killing and pressure construction[J]. China Petroleum and Chemical Standards and Quality, 2021, 41(10): 144-145. (in Chinese)
    [9] SUROSO T, TRIYOSO W, PRIYONO A. Hydrocarbon identification by evaluating anisotropy parameters estimated from crosswell seismic data[J]. Journal of Physics: Conference Series, 2021, 1943(1): 12030-12038. doi: 10.1088/1742-6596/1943/1/012030
    [10] 袁凡, 吴望一. 脉象的血管位移波理论[J]. 应用数学和力学, 1989, 10(6): 469-476 doi: 10.1007/BF02017892

    YUAN Fan, WU Wangyi. The displacement wave theory of blood vessel[J]. Applied Mathematics and Mechanics, 1989, 10(6): 469-476.(in Chinese) doi: 10.1007/BF02017892
    [11] 刘小靖, 周又和, 王记增. 小波方法及其力学应用研究进展[J]. 应用数学和力学, 2022, 43(1): 1-13 doi: 10.1007/s10483-021-2795-5

    LIU Xiaojing, ZHOU Youhe, WANG Jizeng. Research progresses of wavelet methods and their applications in mechanics[J]. Applied Mathematics and Mechanics, 2022, 43(1): 1-13.(in Chinese) doi: 10.1007/s10483-021-2795-5
    [12] 卫志军, 申利敏, 关晖, 等. 拓扑优化技术在抑制流体晃荡中的数值模拟研究[J]. 应用数学和力学, 2021, 42(1): 49-57

    WEI Zhijun, SHEN Limin, GUAN Hui, et al. Numerical simulation of topology optimization technique for tank sloshing suppression[J]. Applied Mathematics and Mechanics, 2021, 42(1): 49-57.(in Chinese)
    [13] MEHRDAD K, ABDORREZA K, MOHAMMAD N S, et al. Investigating the effects of transient flow in concrete-lined pressure tunnels, and developing a new analytical formula for pressure wave velocity[J]. Tunnelling and Underground Space Technology Incorporating Trenchless Technology Research, 2019, 11(91): 18-25.
    [14] MOSLAND E N, LOHNE K D, YSTAD B, et al. Pressure wave velocity in fluid-filled pipes with and without deposits in the low-frequency range[J]. Journal of Hydraulic Engineering, 2018, 144(10): 101-106.
    [15] LIU X, LI B, YUE Y. Transmission behavior of mud-pressure pulse along wellbore[J]. Journal of Hydrodynamics, 2007, 19(2): 236-240. doi: 10.1016/S1001-6058(07)60054-7
    [16] 李相方, 管丛笑, 隋秀香, 等. 压力波气侵检测理论及应用[J]. 石油学报, 1997, 18(3): 128-133 doi: 10.7623/syxb199703021

    LI Xiangfang, GUAN Congxiao, SUI Xiuxiang, et al. The theory of gas influx detection of pressure wave and its application[J]. Acta Petrolei Sinica, 1997, 18(3): 128-133.(in Chinese) doi: 10.7623/syxb199703021
  • 加载中
图(8) / 表(1)
计量
  • 文章访问数:  829
  • HTML全文浏览量:  390
  • PDF下载量:  32
  • 被引次数: 0
出版历程
  • 收稿日期:  2022-01-05
  • 修回日期:  2022-04-14
  • 网络出版日期:  2022-11-23
  • 刊出日期:  2022-12-01

目录

    /

    返回文章
    返回